

The machine working through the motor driving fast to rotate the principal axis and the principal rotates the emulsifying rotor.With the leading scrapers of the rotor, the material is inhaled into the emulsifying room through the above side and underside of the stator; by the work of the rotor scrapes and the narrow stator interface,the material is cut, smashed,homogenized and reaching the perfect finish; through the high-speeding centrifugal rotation of the scrapers, the material is discharged through the homogenizer stator room. Working based on this internal circulation,the machine could complet the ideal homogenizing and emulsifying processin the very shorttime.
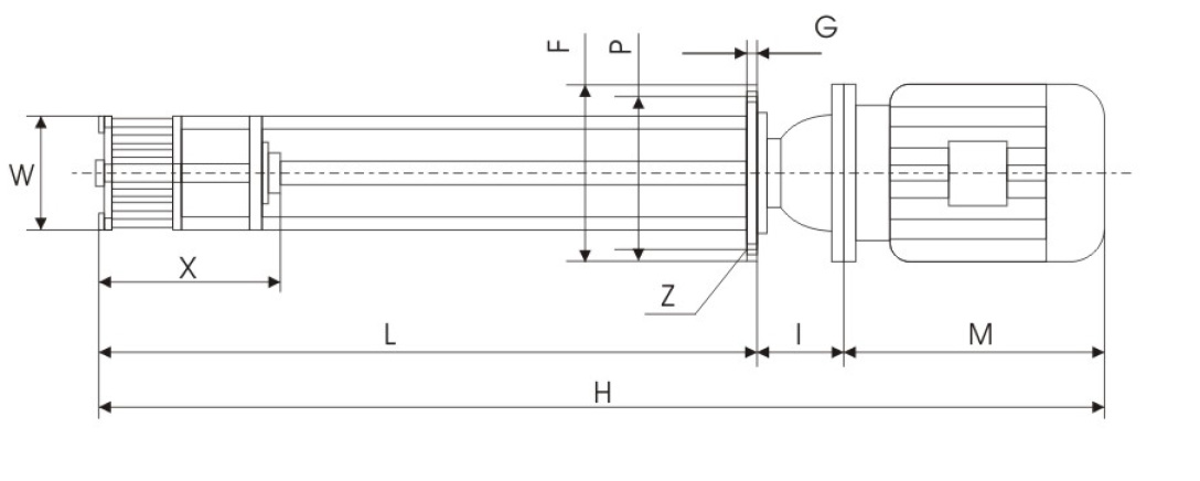
1、the length of the machines(L)are already made as the standard below,the extra length could be ordered.
2、that the 60% length of the machine works under the liquid is consideredbe the best!
3、please consider these references and let us know, when you make the order:content, viscidity,processing timeT teinietauc,ecial self-lubricating one.
4、as the axletree working under the liquid Is the special selI-luplIcaun tyg rinlo.To avoid the self-damaging, that the axletree works above the materials prohibited.
5、the machine working according to the exact parameters, if any data changes, won't inform in time,please forgive.
| POWER KW | CAPABILITY L | ROTATION SPEED min/r | H | M | I | L | G | P | F | W | X | Z |
| 1.5 | 20-100 | 1450/2840 | 970 | 300 | 80 | 590 | 10 | 180 | 210 | 140 | 150 | 11 |
| 3 | 50-200 | 1450/2840 | 1320 | 320 | 110 | 890 | 12 | 210 | 245 | 170 | 200 | 13 |
| 4 | 100-300 | 1450/2840 | 1425 | 335 | 140 | 950 | 14 | 210 | 245 | 180 | 200 | 13 |
| 5.5 | 150-600 | 1450/2840 | 1575 | 385 | 140 | 1050 | 15 | 245 | 280 | 190 | 210 | 15 |
| 7.5 | 200-800 | 1450/2840 | 1675 | 385 | 140 | 1150 | 15 | 245 | 280 | 205 | 210 | 15 |
| 11 | 300-1000 | 1450/2840 | 1800 | 490 | 160 | 1150 | 18 | 280 | 350 | 215 | 260 | 18 |
| 15 | 400-1300 | 1450/2840 | 1870 | 490 | 180 | 1200 | 25 | 280 | 350 | 225 | 260 | 18 |
| 18.5 | 500-1500 | 1450/2840 | 2000 | 540 | 180 | 1280 | 25 | 280 | 350 | 240 | 260 | 18 |
| 22 | 800-2000 | 1450/2840 | 2220 | 560 | 180 | 1480 | 25 | 280 | 350 | 255 | 300 | 20 |
Feedback

QR code

Feedback
Work time:
8:00-17:00
Feedback